ທ່າແຮງການຫັນເປັນ PT
13.8 Kv ໄລຍະດຽວທີ່ມີທ່າແຮງການຫັນປ່ຽນໃນສະຖານີຍ່ອຍ
  • 13.8 Kv ໄລຍະດຽວທີ່ມີທ່າແຮງການຫັນປ່ຽນໃນສະຖານີຍ່ອຍ13.8 Kv ໄລຍະດຽວທີ່ມີທ່າແຮງການຫັນປ່ຽນໃນສະຖານີຍ່ອຍ

13.8 Kv ໄລຍະດຽວທີ່ມີທ່າແຮງການຫັນປ່ຽນໃນສະຖານີຍ່ອຍ

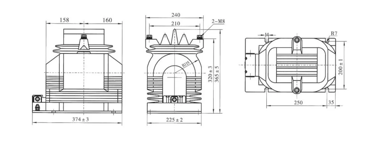
ເພື່ອຜະລິດຫມໍ້ແປງໄຟຟ້າທີ່ມີທ່າແຮງ 13.8 kv ໄລຍະດຽວໃນສະຖານີຍ່ອຍ, Wenzhou XiFa Electric Power Equipment Co., Ltd adopts premium CRGO Electrical steel as the main material of core to reduce the loss value and improve the accuracy class, and high strength copper wire enamelled as the main material of coil to ensure turns ratio and turn to turn to turn insulation through precision wind. ຫຼາຍກວ່ານັ້ນ, ແຕ່ລະ 13.8 kv ໄລຍະດຽວທີ່ມີທ່າແຮງການຫັນເປັນໃນ substation ໄດ້ຮັບຮອງເອົາຂະບວນການຜະລິດຂອງ epoxy resin vacuum casting ເພື່ອເຮັດໃຫ້ໂຄງສ້າງແຂງໂດຍລວມທີ່ບໍ່ງ່າຍທີ່ຈະດູດຊຶມຄວາມຊຸ່ມ, ທີ່ເຫມາະສົມສໍາລັບສະພາບແວດລ້ອມຮ້ອນ, ຄວາມຊຸ່ມຊື່ນແລະຝຸ່ນ.

ຄຸນ​ນະ​ສົມ​ບັດ​ຜະ​ລິດ​ຕະ​ພັນ​:

A 13.8 Kv Single Phase Potential Transformer ໃນ Substation ຖືກອອກແບບມາເພື່ອຫຼຸດແຮງດັນຂັ້ນຕົ້ນຂອງ 13.8 kv ໄປເປັນແຮງດັນຂັ້ນສອງມາດຕະຖານເຊັ່ນ: 100 ຫຼື 110 volts. ຫຼັງຈາກນັ້ນ, ແຮງດັນທີ່ຫຼຸດລົງແມ່ນໄດ້ຖືກສະຫນອງໃຫ້ແກ່ windings ຂະຫນານເພື່ອວັດແທກອຸປະກອນແລະ relays ປ້ອງກັນ, ເຮັດໃຫ້ການວັດແທກແຮງດັນຕົ້ນຕໍສາມາດເຮັດໄດ້ໂດຍທາງອ້ອມດ້ວຍເຄື່ອງມືທີ່ມີແຮງດັນຕ່ໍາ. ວິທີການດັ່ງກ່າວເຮັດໃຫ້ການອອກແບບເຄື່ອງມືງ່າຍ, ປະຫຍັດຄ່າໃຊ້ຈ່າຍ, ແລະຮັບປະກັນຄວາມປອດໄພຂອງອຸປະກອນແລະພະນັກງານປະຕິບັດງານ.


ຫຼັກການການເຮັດວຽກຂອງຫມໍ້ແປງທີ່ມີທ່າແຮງໄລຍະດຽວ 13.8 kv ແມ່ນຄືກັນກັບເຄື່ອງຫັນປ່ຽນການແຜ່ກະຈາຍພະລັງງານ, ເຊິ່ງອັດຕາສ່ວນການຫັນປ່ຽນແມ່ນຖືກກໍານົດໂດຍຈໍານວນຂອງການຫັນໃນສາຍປະຖົມແລະຮອງ. ການເພີ່ມຈໍານວນການລ້ຽວຂັ້ນສອງເຮັດໃຫ້ອັດຕາສ່ວນຫຼຸດລົງ, ໃນຂະນະທີ່ການເພີ່ມຈໍານວນການຫັນຂັ້ນຕົ້ນເຮັດໃຫ້ມັນເພີ່ມຂຶ້ນ. ມັນເປັນສິ່ງສໍາຄັນທີ່ຄວນສັງເກດວ່າພາຍໃຕ້ສະຖານະການໃດກໍ່ຕາມ, ວົງຈອນທີສອງຂອງຫມໍ້ແປງທີ່ມີທ່າແຮງໄລຍະດຽວ 13.8 kv ຈະຖືກວົງຈອນສັ້ນໃນລະຫວ່າງການປະຕິບັດງານ.

13 8 Kv Single Phase Potential Transformer In Substation

ຂໍ້ມູນຈໍາເພາະທາງວິຊາການ:

ປະເພດ ອັດຕາສ່ວນແຮງດັນ (kV) ຫ້ອງຮຽນຄວາມຖືກຕ້ອງ ປະເພດຄວາມຖືກຕ້ອງແລະຜົນຜະລິດທີ່ຈັດອັນດັບ cosΦ=0.8 ສູງສຸດ. ຜົນຜະລິດ (VA)
0.2 0.5 1 6(ປ)
JDZ11-15 (15/√3)/(0.1/√3)/(0.1/3) 0.2/6P 0.5/6P 1/6P 30 80 150 100 400
JDZ11-20 (20/√3)/(0.1/√3)/(0.1/3)
JDZ11-15 (15/√3)/(0.1/√3)/(0.1/√3)/(0.1/3) 0.2/0.2/6P 0.2/0.5/6P 15 20 ບໍ່ມີ 100 2*200
JDZX11-20 (20/√3)/(0.1/√3)/(0.1/√3)/(0.1/3)

13 8 Kv Single Phase Potential Transformer In Substation

FAQ ຜະລິດຕະພັນ:

ຖາມ: ຫມໍ້ແປງທີ່ມີທ່າແຮງໄລຍະດຽວ 13.8 kv ແຕກຕ່າງຈາກຫມໍ້ແປງພະລັງງານ 13.8 kv ແນວໃດ?

A: ໃນຂະນະທີ່ທັງສອງເປັນອຸປະກອນແປງແຮງດັນ, ຫມໍ້ແປງທີ່ມີທ່າແຮງໄລຍະດຽວ 13.8 kv ຖືກອອກແບບມາສໍາລັບການວັດແທກແລະການປົກປ້ອງຫຼາຍກວ່າການຖ່າຍທອດພະລັງງານ. ອັດຕາພາລະຂອງມັນແມ່ນຂ້ອນຂ້າງນ້ອຍ, ໂດຍປົກກະຕິສະແດງອອກໃນ VA, ໃນຂະນະທີ່ເຄື່ອງຫັນປ່ຽນພະລັງງານຈັດການການໂຫຼດໃນມູນຄ່າທີ່ໃຫຍ່ກວ່າເຊິ່ງນັບເປັນ kVA ຫຼື MVA.


ຖາມ: ວິທີການ insulation ແມ່ນຫຍັງທີ່ໃຊ້ໃນຫມໍ້ແປງທີ່ມີທ່າແຮງໄລຍະດຽວ 13.8 kv?

A: ຫຼາຍທີ່ສຸດການຫັນເປັນທ່າແຮງໃນລະດັບແຮງດັນນີ້ໃຊ້ insulation ຢາງ epoxy ສໍາລັບການບໍລິການພາຍໃນຫຼືເຮືອນ porcelain / silicone ສໍາລັບການຕິດຕັ້ງນອກ. ການອອກແບບບາງອັນໃຊ້ການສນວນກັນນໍ້າທີ່ຝັງໄວ້ເພື່ອບັນລຸອາຍຸການບໍລິການທີ່ຍາວນານ ແລະຄວາມສາມາດຄວາມຮ້ອນທີ່ສູງຂຶ້ນ.


ຖາມ: ຫມໍ້ແປງທີ່ມີທ່າແຮງໄລຍະດຽວ 13.8 kV ຄວນເຊື່ອມຕໍ່ໃນສະຖານີຍ່ອຍແນວໃດ?

A: ສໍາລັບການວັດແທກໄລຍະກັບຫນ້າດິນ, ປະຖົມ PT ແມ່ນເຊື່ອມຕໍ່ລະຫວ່າງໄລຍະຫນຶ່ງແລະຫນ້າດິນ. ໃນລະບົບສາມເຟດ, ຊຸດຂອງ PTs ໄລຍະດຽວຫຼືຫນ່ວຍ PT ສາມໄລຍະສາມາດຖືກນໍາໃຊ້ເພື່ອວັດແທກສາຍຕໍ່ສາຍແລະສາຍກັບແຮງດັນຂອງດິນ.


ຖາມ: ບັນຫາໃດແດ່ທີ່ສາມາດເກີດຂຶ້ນກັບ 13.8 kV ໄລຍະດຽວທີ່ມີທ່າແຮງການຫັນປ່ຽນໃນສະຖານີຍ່ອຍ?

A: ບັນຫາທົ່ວໄປລວມມີການເຊື່ອມໂຊມຂອງ insulation, ferroresonance ພາຍໃຕ້ເງື່ອນໄຂການສະຫຼັບສະເພາະໃດຫນຶ່ງ, overheating ເນື່ອງຈາກ overloading, ແລະສະພາບເປີດວົງຈອນຮອງທີ່ອາດຈະເຮັດໃຫ້ເກີດແຮງດັນສູງອັນຕະລາຍ.



Hot Tags: 13.8 Kv Single Phase Potential Transformer in Substation Supplier, Substation Potential Transformer Wholesale
ສົ່ງສອບຖາມ
ຂໍ້​ມູນ​ຕິດ​ຕໍ່
  • ທີ່ຢູ່

    ເລກທີ 391, ຖະໜົນ Jingqi, ເຂດອຸດສາຫະກຳ Yanpan, ເມືອງ Yueqing, ແຂວງ Zhejiang, ຈີນ

  • ອີເມລ

    info@xifaele.com

ເພື່ອຮັບໃບສະເໜີລາຄາຂອງທ່ານ ASAP

XiFa-ຜູ້ສະຫນອງອຸປະກອນໄຟຟ້າທີ່ເຊື່ອຖືໄດ້ຂອງທ່ານ
ຄໍາແນະນໍາຂ່າວ
X
ພວກເຮົາໃຊ້ cookies ເພື່ອສະເຫນີໃຫ້ທ່ານມີປະສົບການການຊອກຫາທີ່ດີກວ່າ, ວິເຄາະການເຂົ້າຊົມເວັບໄຊທ໌ແລະປັບແຕ່ງເນື້ອຫາ. ໂດຍການນໍາໃຊ້ເວັບໄຊທ໌ນີ້, ທ່ານຕົກລົງເຫັນດີກັບການນໍາໃຊ້ cookies ຂອງພວກເຮົາ. ນະໂຍບາຍຄວາມເປັນສ່ວນຕົວ
ປະຕິເສດ ຍອມຮັບ