CT Transformer ປະຈຸບັນ
Resin Cast Electrical Ct Current Transformer
  • Resin Cast Electrical Ct Current TransformerResin Cast Electrical Ct Current Transformer
  • Resin Cast Electrical Ct Current TransformerResin Cast Electrical Ct Current Transformer

Resin Cast Electrical Ct Current Transformer

Wenzhou XiFa Electric Power Equipment Co., Ltd ເປັນຜູ້ຜະລິດມືອາຊີບເພື່ອຜະລິດ resin cast ໄຟຟ້າ ct ໃນປະຈຸບັນ transformer ບ່ອນທີ່ adopts ໃນ 10 kv ກັບ 35 kv switchgear ໄຟຟ້າ. ໃນ Wenzhou XiFa, ທີມງານຜະລິດຫລໍ່ຫລອມ epoxy resin ໃນສະພາບແວດລ້ອມສູນຍາກາດເພື່ອເອົາຟອງຢູ່ໃນຂ້າງຂອງຫມໍ້ແປງປະຈຸບັນແລະປ້ອງກັນການໄຫຼອອກບາງສ່ວນຂອງຫນ້າດິນ. ໃນ​ຂະ​ນະ​ດຽວ​ກັນ, ຢາງພາລາ ct transformer ປະຈຸບັນໄຟຟ້າໄດ້ຖືກອອກແບບເປັນໂຄງສ້າງ insulation ຫຼາຍຊັ້ນເພື່ອບັນລຸປະສິດທິພາບທີ່ດີກວ່າກ່ຽວກັບການຕໍ່ຕ້ານແຮງດັນແລະຄວາມຫມັ້ນຄົງໃນໄລຍະຍາວ.

ຫມໍ້ແປງໄຟຟ້າ ct ໃນປະຈຸບັນແມ່ນ indoor, ຢາງ epoxy, ຫລໍ່ສູນຍາກາດ, ຫນ່ວຍບໍລິການປະເພດ post ອອກແບບສໍາລັບລະບົບໄຟຟ້າລະດັບແຮງດັນ 10kv ທີ່ມີຄວາມຖີ່ 50 Hz. ມັນຖືກນໍາໃຊ້ຕົ້ນຕໍສໍາລັບການວັດແທກປະຈຸບັນ, ການວັດແທກພະລັງງານ, ແລະ relaying ປ້ອງກັນ.

ໝໍ້ແປງໄຟຟ້າ ct ກະແສໄຟຟ້າທີ່ນຳມາໃຊ້ຂະບວນການຫລໍ່ຫຼອມ epoxy resin ທີ່ມີຝາອັດແໜ້ນເຕັມທີ່, ໃນທີ່ຫຼັກແມ່ນເຮັດຈາກວັດສະດຸແມ່ເຫຼັກຊັ້ນສູງ, ແລະທັງປ່ຽງປະຖົມ ແລະ ມັດສອງພ້ອມໆກັນກັບຫຼັກແມ່ນຝັງຢູ່ໃນຢາງ. ການກໍ່ສ້າງນີ້ສະຫນອງການປະຕິບັດທີ່ດີເລີດກ່ຽວກັບການສນວນ, ຄວາມຕ້ານທານຄວາມຊຸ່ມຊື່ນ, ແລະການຕໍ່ຕ້ານມົນລະພິດ. ພື້ນຜິວຂອງຫມໍ້ແປງໄຟຟ້າ ct ໃນປະຈຸບັນຂອງ resin ບໍ່ຈໍາເປັນຕ້ອງມີການເຄືອບເພີ່ມເຕີມ, ແລະຫມໍ້ແປງປະຈຸບັນສາມາດໄດ້ຮັບການຕິດຕັ້ງໃນຫຼາຍຕໍາແຫນ່ງ.

ຊ່ວງນີ້ກວມເອົາທັງສອງຫ້ອງຮຽນການວັດແທກເຊັ່ນ: 0.2S ແລະ 0.5S, ແລະຊັ້ນປ້ອງກັນ, ເຊັ່ນ: 10P10 ແລະ 10P20. ການອອກແບບອັດຕາສ່ວນຫຼາຍແມ່ນມີຢູ່ໃນຫມໍ້ແປງໄຟຟ້າ ct ທີ່ມີນ້ໍາຢາງ, ເພື່ອເຮັດໃຫ້ມັນເຫມາະສົມກັບການນໍາໃຊ້ໃນກະດານໄຟຟ້າທີ່ມີໂລຫະ.

Resin Cast Electrical Ct Current TransformerResin Cast Electrical Ct Current Transformer

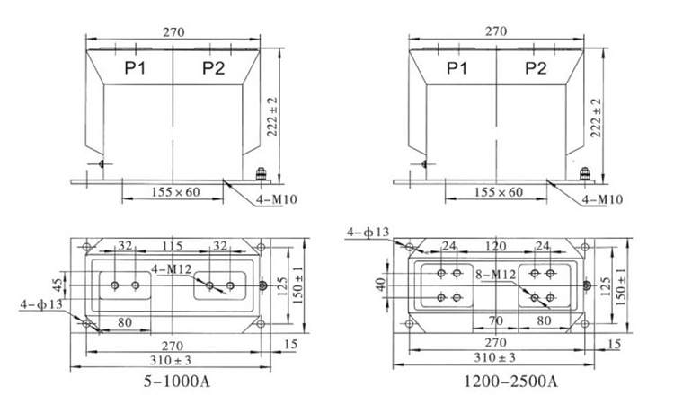
ຂໍ້ມູນຈໍາເພາະທາງວິຊາການ:

ປະເພດ ອັນດັບຕົ້ນໆປັດຈຸບັນ (A) ຫ້ອງຮຽນຄວາມຖືກຕ້ອງ ໝວດຄວາມຖືກຕ້ອງ ແລະຜົນອອກອັນດັບ cosΦ=0.8 ກະແສຄວາມຮ້ອນໃນຊ່ວງເວລາ Shory-Time (kA/S) ປະເມີນຄ່າກະແສໄຟຟ້າແບບໄດນາມິກ(kA)
0.2 (ວິ) 0.5 (ວິ) 10P10 10P15 10P20
LZZBJ9-10 5-150 0.2s/0.5 0.2s/10P 0.2/10P 0.5s/10P 0.5/10P 10 10 15 15 10 100I1 ນ 250I1 ນ
200-300 31.5 80
400-500 45 112
600-1000 63 130
1200-1500 80 160
2000-2500 100 180

Resin Cast Electrical Ct Current Transformer

FAQ ຜະລິດຕະພັນ:

ຖາມ: ຕົວກໍານົດການດ້ານວິຊາການອັນໃດທີ່ຫນຶ່ງຄວນກວດສອບໃນເວລາທີ່ເລືອກ resin cast ຫມໍ້ແປງໄຟຟ້າ ct ໃນປັດຈຸບັນ?

A: ຕົວກໍານົດການທີ່ສໍາຄັນຕໍ່ໄປນີ້ຈະຖືກກວດສອບເມື່ອເລືອກ:

1. ລະດັບຄວາມຖືກຕ້ອງ: ສໍາລັບການວັດແທກ / ການວັດແທກ (ເຊັ່ນ: 0.2s ຫຼື 0.5) ແລະຈຸດປະສົງປ້ອງກັນ (ເຊັ່ນ: 10P10, 5P10, ແລະອື່ນໆ).

2.Rated ປັດ​ຈຸ​ບັນ​ປະ​ຖົມ​ແລະ​ມັດ​ທະ​ຍົມ (ອັດ​ຕາ​ສ່ວນ​ການ​ຫັນ​ເປັນ​)​.

3.Short time thermal current (Ith) ແລະ short time current withstanding capacity (ສໍາລັບເງື່ອນໄຂຄວາມຜິດ).

4.Insulation ລະດັບ (ແຮງດັນທົນທານຕໍ່, ລະດັບແຮງດັນແຮງດັນ, ແລະອື່ນໆ).

5.Environmental tolerances: ລະດັບອຸນຫະພູມ, ລະດັບຄວາມສູງ, ຄວາມຊຸ່ມຊື່ນ, ລະດັບມົນລະພິດ.

6.Burden: VA ໂຫຼດຮອງຕ້ອງຂັບໂດຍບໍ່ມີການ degrading ຄວາມຖືກຕ້ອງ.

ຖາມ: ໃນສະພາບແວດລ້ອມຫຼືຄໍາຮ້ອງສະຫມັກໃດແມ່ນຫມໍ້ແປງໄຟຟ້າ ct ໃນປະຈຸບັນທີ່ເຫມາະສົມໂດຍສະເພາະ?

A: ສະພາບແວດລ້ອມຫຼືຄໍາຮ້ອງສະຫມັກດັ່ງຕໍ່ໄປນີ້ແມ່ນເຫມາະສົມສໍາລັບ resin cast ໄຟຟ້າ ct ໃນປັດຈຸບັນ transformer:

1.Indoor switchgear, ບ່ອນທີ່ພື້ນທີ່ຈໍາກັດແລະ insulation ແມ່ນສໍາຄັນ.

2. ໃນສະພາບແວດລ້ອມທີ່ໂຫດຮ້າຍ ຫຼືມົນລະພິດ (ຂີ້ຝຸ່ນ, ຄວາມຊຸ່ມ, ສານເຄມີ) ບ່ອນທີ່ມີສ່ວນເປີດ ຫຼືນໍ້າມັນສາມາດທໍາລາຍໄດ້.

3.In metering ແລະວົງຈອນປ້ອງກັນທີ່ຕ້ອງການຄວາມຫມັ້ນຄົງ, ການວັດແທກທີ່ຖືກຕ້ອງໃນໄລຍະເວລາດົນນານ.

4.Applications ບ່ອນທີ່ການບໍາລຸງຮັກສາຕ່ໍາແລະຄວາມຫນ້າເຊື່ອຖືສູງມີຄວາມສໍາຄັນ.

Hot Tags: Resin Cast Transformer Supplier, Electrical CT Transformer Manufacturer, Custom CT Transformer Wholesale
ສົ່ງສອບຖາມ
ຂໍ້​ມູນ​ຕິດ​ຕໍ່
  • ທີ່ຢູ່

    ເລກທີ 391, ຖະໜົນ Jingqi, ເຂດອຸດສາຫະກຳ Yanpan, ເມືອງ Yueqing, ແຂວງ Zhejiang, ຈີນ

  • ອີເມລ

    info@xifaele.com

ເພື່ອຮັບໃບສະເໜີລາຄາຂອງທ່ານ ASAP

XiFa-ຜູ້ສະຫນອງອຸປະກອນໄຟຟ້າທີ່ເຊື່ອຖືໄດ້ຂອງທ່ານ
X
ພວກເຮົາໃຊ້ cookies ເພື່ອສະເຫນີໃຫ້ທ່ານມີປະສົບການການຊອກຫາທີ່ດີກວ່າ, ວິເຄາະການເຂົ້າຊົມເວັບໄຊທ໌ແລະປັບແຕ່ງເນື້ອຫາ. ໂດຍການນໍາໃຊ້ເວັບໄຊທ໌ນີ້, ທ່ານຕົກລົງເຫັນດີກັບການນໍາໃຊ້ cookies ຂອງພວກເຮົາ. ນະໂຍບາຍຄວາມເປັນສ່ວນຕົວ
ປະຕິເສດ ຍອມຮັບ